建筑工程预算
资料下载 Data download
上下部贯通钢筋长度算法
公式:长度=净跨长+左支座锚固+右支座锚固
A.当梁支座足够宽时,上下部纵筋直锚在支座里,应满足如下条件,见图。
左、右支座锚固长度的取值判断:
当hc-保护层(直锚长度)>LaE时, 取Max(LaE ,0.5hc+5d)
B.当梁支座不能满足直锚时,纵筋应弯锚,满足下图条件。
左、右支座锚固长度的取值判断:
当hc-保护层(直锚长度) ≤ LaE时,必须弯锚, 取Max[(LaE),(0.4 LaE+15d),(hc-保护层+15d)
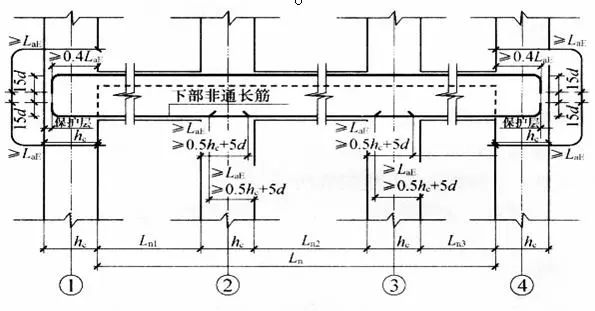
下部非贯通筋长度算法
A.当端支座足够宽时,直锚在支座里
计算公式:
首尾跨下部非贯通筋长度=净跨Ln1(Ln3)+左右锚入支座内长度Max[(LaE),(0.5hc+5d)]
中间跨下部非贯通筋长度=净跨Ln2+左右锚入支座内长度Max[(LaE),(0.5hc+5d)]
B.当端支座不能满足直锚时,应弯锚
计算公式:
首尾跨下部非贯通筋长度=净跨Ln1(Ln3)+端支座Max[(LaE),(0.4LaE+15d),(hc-保护层+15d)+中间支座Max[(LaE),(0.5hc+5d)]
中间跨下部非贯通筋长度=净跨Ln2+左右锚入支座内长度Max[(LaE),(0.5hc+5d)]
梁端支座负筋长度算法
第一排长度 = Ln/3+Max[(LaE),(0.4 LaE+15d),(hc-保护层+15d)
第二排长度 = Ln/4+Max[同上] (Ln指净跨长)
中间支座负筋长度算法
第一排长度 = 2*max(第一跨,第二跨)净跨长/3+支座宽
第二排长度 = 2*max(第一跨,第二跨)净跨长/4+支座宽
架立筋的计算
连接框架梁第一排支座负筋的钢筋叫架立筋。
注:当梁的上部既有通长筋又有架立筋时,其中架立筋的搭接长度为150
架立筋长度=净跨长-净跨长/3*2+150*2
首尾跨长度=Ln1-Ln1/3-max(Ln1,Ln2)/3+150*2
中间跨长度=Ln2-max(Ln1,Ln2)/3-max(Ln2,Ln3)/3 +150*2
侧面纵向构造或抗扭钢筋的计算
当梁净高h≥450时,在梁的两个侧面沿高度配置纵向构造钢筋,纵向构造钢筋间距a≤200.
构造筋长度=净跨长+2*15d
梁的侧面抗扭钢筋的计算方法和下通筋一样,分两种情况,直锚和弯锚。
抗扭筋长度=净跨长+2*锚固长度(同框架梁下部纵筋)
侧面纵筋的拉筋长度的计算
拉筋直径取值:梁宽≤350取6mm,>350取8mm
拉筋长度=梁宽-2*保护+2*1.9d+2*max(10d,75mm)+2d
侧面纵筋的拉筋根数的计算
拉筋根数=((净跨长-50*2)/非加密间距*2+1))*排数
梁箍筋的计算
箍筋1长度计算
箍筋1长度=(梁宽b-保护层*2+d*2)*2+(梁高h-保护层*2+d*2)*2+1.9d*2+max(10d,75mm)*2
箍筋2长度计算
箍筋2长度=[(梁宽b-保护层*2-D)/(梁下部第一排纵筋的根数-1)*间距数+D]*2+[(梁高h-保护层*2]*2+1.9d*2+max(10d,75mm)*2
箍筋根数计算
根数=((左加密区长度-50)/加密间距+1)+(非加密区长度/非加密间距-1)+((右加密区长度-50)/加密间距+1)
根数=((左加密区长度-50)/加密间距+1)+(非加密区长度/非加密间距-1)+((右加密区长度-50)/加密间距+1)
吊筋的计算
吊筋夹角取值:梁高≤800取45度,>800取60度
吊筋长度=次梁宽+2*50+2*(梁高-2保护层)/正弦45度(60度)+2*20d
|